Table of Contents
Hydraulic Circuit for Shaping Machine Circuit Diagram
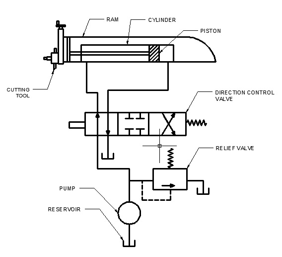
The hydraulic circuit diagram for a shaping machine is shown in the figure.
![]() |
| The hydraulic circuit diagram of Shaping Machine |
Shaping Machine Hydraulic Circuit Construction
The hydraulic circuit of Shaping machine consists of
- Double-acting cylinder
- Spool type direction control valve (DCV)
- Pressure Relief Valve
- Return line with filter
- Hydraulic pump
- Oil reservoir
- High-pressure hose
- The hydraulic circuit of the shaping machine utilizes a double-acting cylinder with a single-piston rod and spool type direction control valve, which is shifted by a reversing lever. The hydraulic power pack supplies the pressurized oil to the spool valve.
- The position of the spool valve decides whether the pressurized oil should go the head end or to the piston rod end of the cylinder.
- The cylinder is mounted in such a manner that the forward stroke occurs when the oil is supplied to the head end of the cylinder and reverse stroke occurs when oil is supplied to the piston rod end of the cylinder.
- Due to the difference in annular areas of head-end and piston rod end, the return stroke is faster than the forward stroke.
- The stroke length of the ram can be adjusted by changing the position of the adjustable dogs. Closer the adjustable dogs shorter is the stroke length and vice versa.
- Several additional controls may be added to this basic circuit to enhance the performance and to have precise control over operations.
Shaping Machine Hydraulic Circuit working
The above circuit shows the operation of the hydraulic circuit of the shaping machine when it is in idle condition. A 4 x 3 direction control valve is used in this circuit. 4×3 DCV means DCV has four ports and three stages.
The hydraulic fluid is pumped by a constant discharge pump into the direction control valve. If the pressure goes up beyond the set limit, hydraulic fluid is released and send back to the oil reservoir by means of the pressure relief valve.
![]() |
| Shaping Machine Hydraulic Circuit – Forward Stroke |
The above hydraulic circuit shows the forward stroke of the shaping machine. Oil from the reservoir reaches the right side of the cylinder through the direction control valve.
Due to the pressure of the fluid, the piston moves towards the left. Ram moves forward to perform the cutting stroke. As the piston moves towards left, the oil to the left side of the cylinder moves back to the oil reservoir through the return line.
![]() |
| Shaping Machine Hydraulic Circuit – Quick return Stroke |
As the position of the plunger changes in the direction control valve, the hydraulic fluid flows to the left side of the cylinder as shown in the above circuit. Due to the pressure of the fluid, the piston moves towards the right.
Ram moves in the backward direction and this stoke is known as the return stroke. The oil to the right side is sent back through the return line.
Want this article offline?
Download Hydraulic Circuit for Shaping Machine PDF and PPT








3 All over the LV Monogram generation